HGL25CA 臺灣HIWIN滑塊 HIWIN導軌 臺灣上銀滑塊導軌
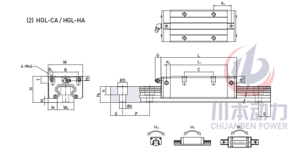
| 組件尺寸 | H | 36 | mm | 
| H1 | 5.5 | mm | |
| N | 12.5 | mm | |
| 滑塊尺寸 | W | 48 | mm | 
| B | 35 | mm | |
| B1 | 6.5 | mm | |
| C | 35 | mm | |
| L1 | 58 | mm | |
| L | 84 | mm | |
| K1 | 16.8 | mm | |
| K2 | 6 | mm | |
| G | 12 | mm | |
| MxL | M6*6 | mm | |
| T | 8 | mm | |
| H2 | 6 | mm | |
| H3 | 9 | mm | |
| 導軌尺寸 | WR | 23 | mm | 
| HR | 22 | mm | |
| D | 11 | mm | |
| h | 9 | mm | |
| d | 7 | mm | |
| P | 60 | mm | |
| E | 20 | mm | |
| 導軌的固定螺栓尺寸 | 導軌的固定螺栓尺寸 | M6*20 | mm | 
| 基本動額定載荷 | C | 26.48 | kN | 
| 基本靜額定載荷 | C0 | 36.49 | kN | 
| 容許靜力矩 | MR | 0.42 | kN-m | 
| MP | 0.33 | kN-m | |
| MY | 0.33 | kN-m | |
| 重量 | 滑塊 | 0.42 | kg | 
| 導軌 | 3.21 | kg/m | 
 
 
TAG:list
 
  
 
 
         
          
         
     

