HGL35HA 臺灣HIWIN滑塊 HIWIN導軌 臺灣上銀滑塊導軌
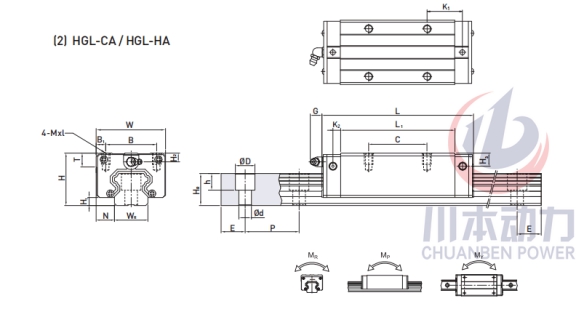
| 組件尺寸 | H | 48 | mm | 
| H1 | 7.5 | mm | |
| N | 18 | mm | |
| 滑塊尺寸 | W | 70 | mm | 
| B | 50 | mm | |
| B1 | 10 | mm | |
| C | 72 | mm | |
| L1 | 105.8 | mm | |
| L | 138.2 | mm | |
| K1 | 22.5 | mm | |
| K2 | 7 | mm | |
| G | 12 | mm | |
| MxL | M8*12 | mm | |
| T | 10.2 | mm | |
| H2 | 9 | mm | |
| H3 | 12.6 | mm | |
| 導軌尺寸 | WR | 34 | mm | 
| HR | 29 | mm | |
| D | 14 | mm | |
| h | 12 | mm | |
| d | 9 | mm | |
| P | 80 | mm | |
| E | 20 | mm | |
| 導軌的固定螺栓尺寸 | 導軌的固定螺栓尺寸 | M8*25 | mm | 
| 基本動額定載荷 | C | 60.21 | kN | 
| 基本靜額定載荷 | C0 | 91.63 | kN | 
| 容許靜力矩 | MR | 1.54 | kN-m | 
| MP | 1.40 | kN-m | |
| MY | 1.40 | kN-m | |
| 重量 | 滑塊 | 1.52 | kg | 
| 導軌 | 6.3 | kg/m | 
 
 
TAG:list
 
  
 
 
         
          
         
     

